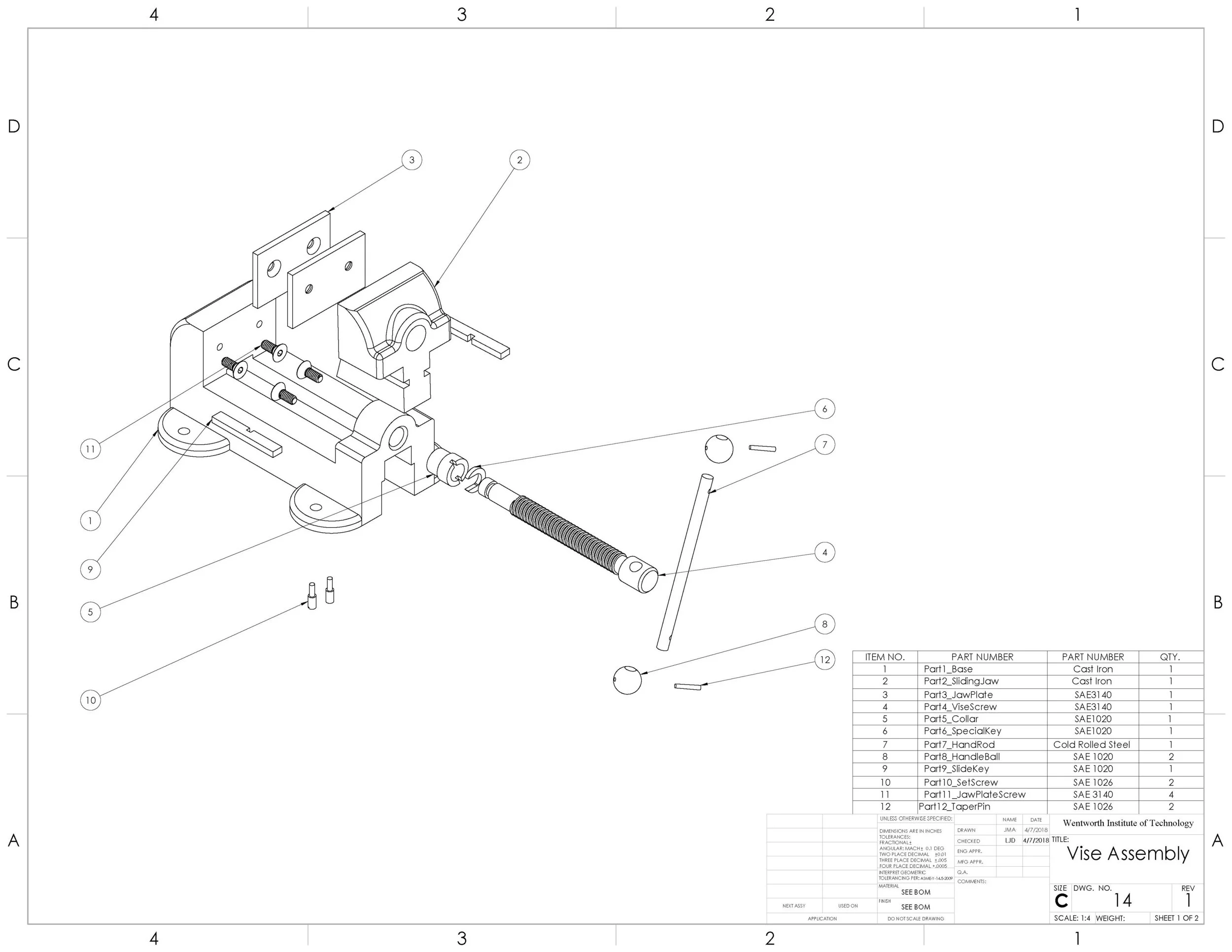
MECHANICAL VIsE

Problem

Develop a Mechanical Vise assembly based on the specifications provided in a manufacturing drawing.

Process

The vise assembly project completed in multiple steps, using an interface of the Mechanical Vise, and a personal checklist for the parts, drawings and assemblies needed to complete the project.

Through this step by step methodology allowed for the completion of the specified tolerances, materials, layout drawings containing multi-view projections, sections and auxiliary views.

Solution

Mechanical Vise Assembly designed in SolidWorks based on the manufacturing drawing provided.